Uživatelské nástroje

Nástroje pro tento web


sim:manual:rychly_navod:jak_na_to:digitalni_vystupy

Toto je starší verze dokumentu!


Připojení digitálních výstupů


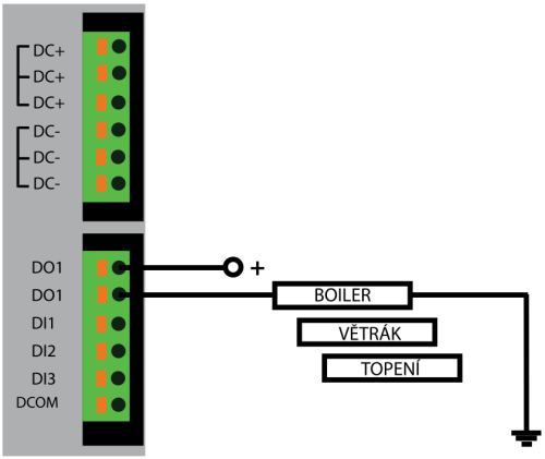
Můžeme využít jedno spínací relé, jež je v SM2-MU. Relé může například v závislosti na aktuální teplotě prostředí spouštět ventilaci, nebo v závislosti na aktuálním výkonu elektrárny ovládat boiler (nutno připojit přes stykač).



sim/manual/rychly_navod/jak_na_to/digitalni_vystupy.1393855960.txt.gz · Poslední úprava: 2014/03/03 15:12 autor: ondra